Komfort cieplny w zasięgu ręki
Nowoczesny dom to nie tylko inteligentne oświetlenie czy zdalnie sterowane rolety. To także pełna kontrola nad ogrzewaniem – najważniejszym elementem wpływającym na komfort codziennego życia. Dlatego system Supla by Zamel został właśnie rozszerzony o kompletne rozwiązanie do zarządzania wodnym ogrzewaniem podłogowym.
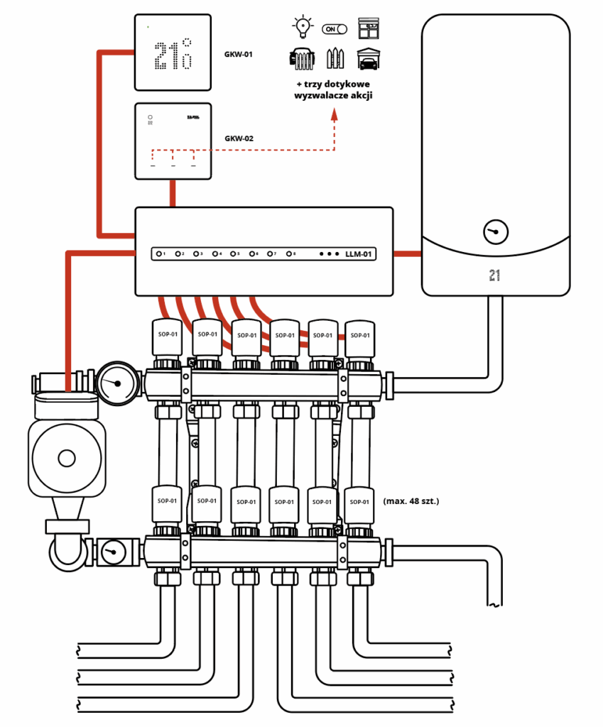
Obok dobrze znanych już regulatorów temperatury GKW-01 i GKW-02, w ofercie pojawiły się teraz także:
- listwa sterująca LLM-01,
 - siłowniki termoelektryczne SOP-01.
 
Dzięki temu użytkownicy otrzymują wszystkie elementy potrzebne do inteligentnej termoregulacji – od sterownika, przez listwę, aż po siłownik.

Inteligentne regulatory GKW-01 i GKW-02
Podstawą systemu są regulatory temperatury Wi-Fi (GKW-01 i GKW-02). To urządzenia, które pozwalają:
- zdalnie sterować ogrzewaniem z aplikacji Supla,
 - tworzyć harmonogramy dopasowane do rytmu dnia,
 - monitorować temperaturę i wilgotność w pomieszczeniach,
 - korzystać z automatyzacji i integracji z innymi urządzeniami smart home.
 
Dzięki nim ciepło jest dostępne zawsze wtedy, kiedy tego potrzebujesz – bez strat energii i niepotrzebnych kosztów.

Listwa LLM-01 – serce sterowania podłogówką
Nowością w ofercie jest listwa przewodowa LLM-01 (opis produktu), która umożliwia integrację wielu obwodów ogrzewania podłogowego. To właśnie ona koordynuje pracę całego systemu, zapewniając sprawne i precyzyjne sterowanie ciepłem w poszczególnych strefach domu.
Dzięki połączeniu z regulatorami GKW, użytkownik może w prosty sposób definiować temperaturę w każdym pomieszczeniu osobno – np. ciepła łazienka rano i chłodniejsza sypialnia w nocy.

Siłowniki SOP-01 – precyzyjne wykonanie poleceń
Uzupełnieniem zestawu są siłowniki termoelektryczne SOP-01 (opis produktu). To one odpowiadają za otwieranie i zamykanie obiegów grzewczych w podłodze, zgodnie z ustawieniami w aplikacji i sygnałami z listwy. Dzięki nim możliwa jest pełna automatyzacja pracy instalacji i utrzymanie optymalnej temperatury w każdym pomieszczeniu.

Wszystko pod kontrolą w aplikacji Supla
Całym systemem steruje się z poziomu aplikacji Supla – na smartfonie, tablecie, a nawet poprzez integrację z Android Auto czy Apple CarPlay. Oznacza to, że:
- możesz włączyć ogrzewanie wracając z pracy,
 - zmienić harmonogram jednym kliknięciem,
 - sprawdzić temperaturę i wilgotność w poszczególnych pokojach w czasie rzeczywistym (dostępne w GKW-01),
 - oszczędzać energię dzięki dopasowaniu ustawień do stylu życia domowników.
 

Podsumowanie – kompletne rozwiązanie od Supla
Dzięki nowym produktom – listwie LLM-01 i siłownikom SOP-01 – Supla oferuje dziś kompletny system sterowania wodnym ogrzewaniem podłogowym.
Użytkownik zyskuje:
- pełną kontrolę nad komfortem cieplnym,
 - prostą obsługę w jednej aplikacji,
 - oszczędności dzięki inteligentnemu zarządzaniu energią,
 - pewność, że dom dostosowuje się do jego potrzeb.
 
Supla to inteligentne ogrzewanie, które naprawdę działa w praktyce.